Mission

The mission of the Chemistry and Chemical Engineering  Department is to provide a safe working environment in the pursuit of excellence in education, research and innovation in the fields of chemistry and chemical engineering. 

Chemistry and Chemical Engineering

Industrial CoCure Spray Applications



Team Leader(s)
Damian Ezell

Team Member(s)
Damian Ezell, Brock Wohlnick, Zachary Teachey, Emma Mathioudakis

Faculty Advisor
Dr. Jonathan E. Whitlow




Industrial CoCure Spray Applications  File Download
Project Summary
CoCure is a four-component resin system composed of Unsaturated Polyester Resin, Polyurethane, Isocyanate, and a Methyl ethyl ketone peroxide initiator. This resin system was developed by Dr. Ronnal Reichard and Scott Lewit at Structural Composites, a research and development company founded by the two in Melbourne, FL. This resin system has the capabilities to vastly change its properties by making minor changes to the ratio between each of the three polymers it contains. At one end of the spectrum, CoCure acts as a strong adhesive capable of bonding aluminum to composite materials. This allows for metals such as aluminum to be bonded easily to fiber reinforced polymers (FRPs), creating metal-hybrid composites. At the other end of CoCure's usage spectrum, it has the ability to act as a coating for both gel coats and molds. CoCure offers a higher elasticity than traditional gelcoats, leading to better crack resistance and weathering. The versatility of CoCure in its applications has gained the interest of companies that dominate the transportation industry. Wabash National, the largest semi trailer producer in North America, has adopted CoCure technology in their refrigerated trailers. Another titan in the transportation industry, Trinity Rail, the largest fleet of railcars in North America also uses CoCure technology as they transition into lighter alternatives to entirely steel railcars and move towards composite materials. Further uses for this technology is utilizing the enhanced crack resistance of CoCure on the hull of boats, increasing the lifespan of the gelcoat on boats ranging from small center-console fishing boats all the way to large and expensive yachts. Although CoCure offers all of these benefits over traditional resin systems across many aspects of the composites industry, it is lacking in one major aspect, industrial application methods. CoCure in its liquid, uncured state is extremely viscous and reactive with air and water. This makes it difficult for CoCure to be used in existing resin spray systems used on an industrial scale. Structural Composites has tasked us to design and create a spray system that is capable of working across each matrix of CoCure with varying viscosities and chemical mixtures for near continuous industrial applications. To begin this process, it was necessary to first synthesize Unsaturated Polyester Resin, formally known as Poly(Propylene Glycol Maleate Phthalate)-Styrene Copolymer. This polymer makes up the majority of every combination of CoCure by mass and volume. This was done by reacting Propylene Glycol, Maleic Anhydride, and Phthalic Anhydride in an esterification reactor at 190 degrees Celsius. Separations of water, and unreacted base constituents happen in a string of flash vessels and a five-stage distillation column. This leaves 99.5% pure Unsaturated Polyester Resin to be used in the final production and spraying of CoCure. From the synthesis and separation processes, Unsaturated Polyester Resin is mixed with Polyurethane and put under a blanket of Nitrogen gas. This is done because Isocyanate is extremely reactive with air and is one of the major issues that were experienced in previous attempts of creating a spray system for CoCure. Once Polyurethane and Polyester Resin are mixed and free of air, they are mixed with Isocyanate and heated to a temperature of 100 degrees Fahrenheit. This is done to address another major issue when developing previous iterations of this spray system, the viscosities of each component varies with temperature. By controlling the temperature of the process, it will allow for the pumping of each component to be more precise to the spray nozzle. Finally, at the spray nozzle of the system, the initiator that begins the curing process, Methyl ethyl ketone peroxide (MEKP925H), is added. From there, CoCure is ejected from the system to begin its exothermic reaction and begin curing.


Project Objective
The objective of this project is to design new pumping and mixing methodology for a four-component resin spray system that can handle the varying viscosities and flowrates required for each CoCure configuration.

Manufacturing Design Methods
Building from previous iterations of CoCure spray systems, looking at pumping, mixing, and the issues that arose with each gun, this project seeks to address CoCure composition issues that were found in the Wabash manufacturing facility in Little Falls, Minnesota. This project used Aspen Plus to model the synthesis of Unsaturated Polyester Resin and the mixing of each of the components of the final CoCure system.

Specification
This spray system should be capable of running continuously 24 hours a day, for 350 days in a year, maintaining a strict ratio between the levels of Polyester Resin, Polyurethane, and Isocyanate, accurate to within 1 gram of variance.

Analysis
Analysis was done on the accuracy of a magnetically coupled servo motor pump using hydraulic oil as a substitute for actual resin. Aspen Plus was used to simulate the mixing methodology for the spray system and the synthesis of Unsaturated Polyester resin.

Future Works
Future groups will continue to develop the physical spray system, building from the findings gained during the Aspen Plus simulation and from the tests run on the magnetically coupled servo motor pump.


Acknowledgement
We would like to thank Structural Composites, Wabash National, and the Interplastics Corporation for their support and guidance throughout this entire process.




Methanol Synthesis Via Cruise Ship Food Waste



Team Leader(s)
Robert Cheatham

Team Member(s)
Ryan Duclos and Landen Pennington

Faculty Advisor
Johnathan E. Whitlow

Secondary Faculty Advisor
Dr. M. T. Reza



Project Summary
Cruise ships throughout this have always been hailed as a symbol of joy. Bright colors, ringing laughter floating through the air, and delicious smells of food and fresh air are all things we associate with the cruise ship experience but that image is threatened daily. We live in a day and age where the safety of the world is in critical danger, where garbage freely floats on the surface of our oceans and the quantity of our natural fuel resources is depleting at a staggering rate if all this was not enough, that joyous experience of a cruise comes at a price of almost 1 billion tons of food waste being dumped in our oceans each year So what are we going to do? How do we not only prevent waste from polluting our oceans and people from depleting our natural resources, all while doing it in a way that doesn’t further harm the world around us??! While this sounds like quite the undertaking, fortunately, we have an alternative. We propose a process that converts the excess food waste generated by cruise ships and converts it into methanol. This is done in an environmentally friendly way and has several potential applications such as fuel for cruise ships. So for our design, we decided to make a plant located in the largest cruise ship port in the world, port Canaveral, and our plant has a design that comfortably handles 5 cruise ships' worth of waste per day(Click), with a 10% overdesign for growth. By implementing our process, we remove 18 million gallons of waste, and not only do we remove that waste, but we turn it into something that can help fuel our future.


Project Objective
By taking solid food waste from cruise ships, our process hopes to remove 18 million gallons of food waste from our oceans per year while turning that waste removal into profitable methanol.

Manufacturing Design Methods
Our design incorporates a basic multi-step process of taking solid food waste and converting it first into syngas, and then to fuel-grade methanol before purifying it into pure methanol.









Ammonia Production Through Microwaves



Team Leader(s)
Mazen Alameer

Team Member(s)
Juan Loaiza, Mazen Alameer, Khalid Kabli

Faculty Advisor
Dr. Jonathan E. Whitlow




Ammonia Production Through Microwaves  File Download
Project Summary
Ammonia is growing important in the energy transition, particularly as a storage option for renewable energy. Despite its primary use as fertilizer, new methods like microwave reactors offer more efficient and scalable alternatives to traditional synthesis processes like Haber Bosch. This approach supports green energy trends and promises significant production increases, with current rates of 10 tons/day projected to reach 100 tons/day upon scaling up. Ammonia has a bright future ahead of it; currently, the industry produces 2% of the CO2 emissions in the world. Moreover, this process applies new and updated technologies to a 100-year-old process, which is the goal of the next generation of engineers. The process uses a small space compared to other practices, producing a decent amount, and can be easily scaled up in the future—the new process functions at lower temperatures and pressures than we currently have.


Project Objective
This project aims to see the feasibility and profitability of the Microwave Ammonia Reactor on an industrial scale, reduce the amount of waste used during ammonia production, and incorporate the green production of hydrogen and nitrogen.

Manufacturing Design Methods
Our design uses innovative processes to revolutionize ammonia production by being sustainable, sufficient, and powered by green energy. Hydrogen and nitrogen are made through a P.E.M electrolyzer and a Membrane Nitrogen Generator. The gases are pumped through a Microwave Reactor with a Cs–Ru/CeO2 catalyst, enabling precise control and accelerated ammonia synthesis. Synthesis is cooled down to separate ammonia from the gas. The gas is further refined through a wet scrubber to produce liquor ammonia. To minimize waste, the leftover gas is channeled back into the reactor to maximize resource utilization and minimize environmental impact.









Metabolization of Bacterial Quorum Sensing Signals by the Model Eukaryote Chlamydomonas reinhardtii



Team Leader(s)
Adam Bach

Team Member(s)
Adam Bach

Faculty Advisor
Dr. Alan Brown

Secondary Faculty Advisor
Dr. Andrew Palmer



Project Summary
Numerous species of prokaryotes regulate symbiotic and pathogenic relationships, exhibit phenotypic switching based on cell density, and other chemical processes (i.e., metabolism) using a method known as quorum sensing (QS). In Gram-negative bacteria, QS allows bacteria to coordinate specific behaviors that typically use N-acyl L-homoserine lactones (AHLs) as a signal. AHLs are made up of an L-homoserine head group, and a variable length acyl tail which is species dependent. Preliminary evidence suggests that the model unicellular eukaryote, Chlamydomonas reinhardtii may be able to metabolize and incorporate AHLs thus altering cell densities associated with QS in Gram-negative bacteria. Using a combination of High-performance liquid chromatography (HPLC), Nuclear Magnetic Resonance (NMR), as well as isotopically enriched AHLs we will attempt to observe metabolization and specific incorporation of these bacterial QS signals into the metabolome of C. reinhardtii. Our findings could significantly impact our understanding of the cell densities required for QS in both bulk soil as well as around the rhizosphere.


Project Objective
Quorum sensing is a method of communication bacteria use to couple a phenotypic change with cell density. This process is controlled by a chemical signaling molecule released by the bacteria. Here, we look to see if the model eukaryote Chlamydomonas reinhardtii can metabolize these produced signals.

Manufacturing Design Methods
Use isotopically enriched samples, nuclear magnetic resonance (NMR), and high-performance liquid chromatography (HPLC) to measure metabolic uptake within the organism, and a depletion of the molecule within the media.



Future Works
Improve current high-performance liquid chromatography results. Use Nuclear Overhauser Effect Spectroscopy (NOESY) to locate the specific site of metabolic uptake.






Modified ZSM-5 Catalyst for p-Xylene Production




Team Member(s)
Jennifer Boyle, Ryan Kitelinger, Archer Moore, Marcus Rivera

Faculty Advisor
Dr. Johnathan E. Whitlow




Modified ZSM-5 Catalyst for p-Xylene Production  File Download
Project Summary
P-xylene is a crucial chemical intermediate used in the production of many products that play a significant role in today's society, such as polyester and plastics. Current techniques to produce p-xylene use expensive raw materials and are energy-intensive due to the need for isomeric separation. However, a newly discovered ZSM-5 modified catalyst (Si-Mg-P-La) has been identified that improves the selectivity of p-xylene over its isomers up to 99.7% during the direct methylation of toluene with methanol. Further research suggests that the catalyst could eliminate the need for isomeric separation, reducing the number of distillation columns from 4 to 2. This project proposes a p-xylene production plant design using the ZSM-5 modified catalyst and investigates its feasibility.






Future Works
Future works should investigate extreme reactor conditions as they were seen to improve production rates. In addition, the vacuum distillation column should be modeled separately in more detail to determine its characteristics and cost more accurately.






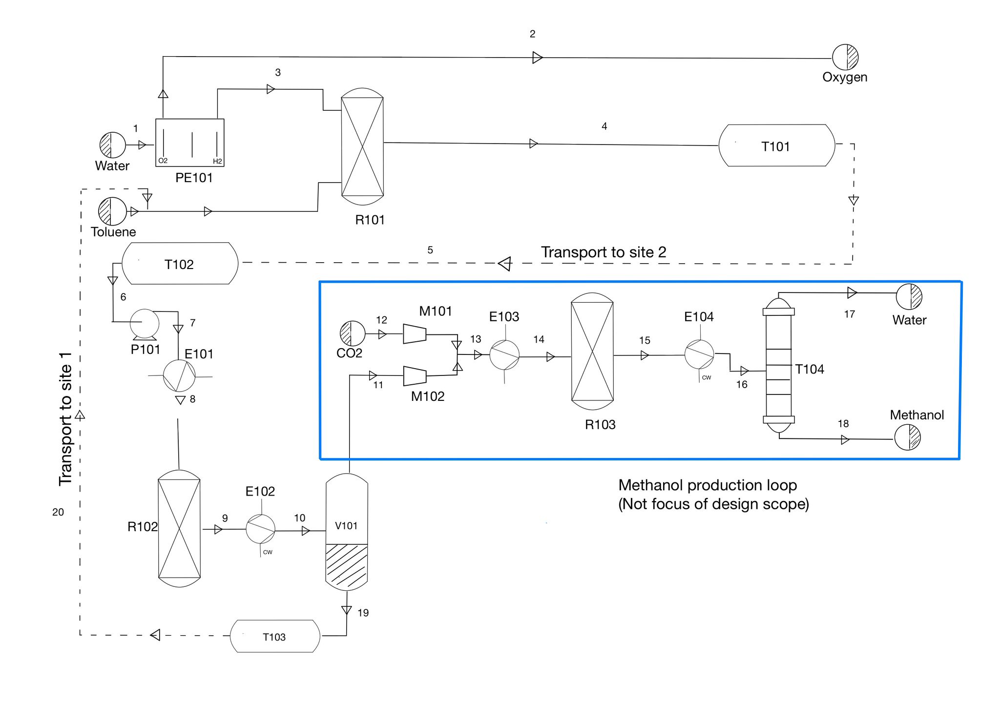
Hydrogen Production: Methylcyclohexane as a Storage and Transport Solution



Team Leader(s)
Neel Dodhia

Team Member(s)
Sean Mcintosh, Faris Alkhaldi

Faculty Advisor
Dr. Jonathan E Whitlow




Hydrogen Production: Methylcyclohexane as a Storage and Transport Solution  File Download
Project Summary
Employing AspenONE V14 Aspen Plus simulation with the Peng-Robinson property method, this research proposes a streamlined Methylcyclohexane-Toluene-Hydrogen (MTH) System for efficient hydrogen storage and sustainable methanol production. The innovative system harnesses toluene hydrogenation to store hydrogen as methylcyclohexane (MCH), which can be transported safely and dehydrogenated to methanol at a secondary location. Integrating renewable energy-powered hydrogen production and strategic placement near carbon capture facilities, the dual-site setup offers a solution to traditional hydrogen storage constraints. The MTH-System promises improved safety, energy density, and feasibility compared to conventional methods. Preliminary financial analysis, including capital cost estimation using Turton’s methodology, supports the economic viability of methanol production. This approach aligns with environmental objectives by utilizing clean energy inputs and contributing to the circular economy in the energy sector.


Project Objective
To develop a sustainable, safe, and economically viable system for hydrogen storage and transportation using the MTH-System, optimizing chemical engineering processes to convert hydrogen and toluene into methylcyclohexane and back, supporting green energy initiatives.

Manufacturing Design Methods
The project utilizes catalytic chemical reactions facilitated by platinum and rhodium catalysts under controlled temperature and pressure conditions, simulated and analyzed using Aspen Plus version 14 AspenONE software. Design considerations focus on optimizing reactor designs and catalyst selection to maximize efficiency and safety.

Specification
Reactor Operating Conditions for Hydrogenation: Temperature: 30°C Pressure: 0.1 MPa Catalyst: Pt+Rh (200:1 ratio) Reactor Operating Conditions for Dehydrogenation: Temperature: 380°C Pressure: 9 bar Catalyst: Pt(0.6)/Al2O3 Catalysts Used: Hydrogenation: Pt+Rh (200:1 ratio) Dehydrogenation: Pt(0.6) supported on Al2O3 Methanol Synthesis: CuZnAl catalyst Production Capacity: Hydrogen Storage: Estimated to require 125 metric tonnes of hydrogen stored as MCH. Toluene Requirement: Approximately 1917 metric tonnes required for hydrogen storage. Methanol Production Rates: Projected to produce 1000 metric tonnes of methanol. Methanol Production Conditions: Temperature: 200°C (for both CO2 reduction and methanol synthesis reactions) Pressure: 30 bar Reactions: CO2 + H2 → CO + H2O (Reverse Water Gas Shift) CO + 2H2 → CH3OH (Methanol Synthesis) Process Configuration: Sequential reaction setup optimized for high conversion rates using a CuZnAl catalyst. The CO2 reduction and methanol synthesis are conducted in a catalyst environment that maximizes efficiency and product yield. Yield and Efficiency: The design targets near-complete conversion of hydrogen and CO into methanol, capitalizing on sophisticated catalytic processes and precise operational control to ensure high efficiency and productivity.

Analysis
Thermodynamic and Kinetic Simulation: Utilizing AspenONE V14 Aspen Plus software with the Peng-Robinson equation of state, comprehensive simulations of the hydrogenation and dehydrogenation processes were conducted to optimize reaction conditions and maximize hydrogen storage efficiency. These simulations help accurately predict the behavior of the chemical species under varying pressures and temperatures, ensuring that the process is both safe and efficient. The kinetic analyses focus on reaction rates and catalyst efficiency, particularly examining the roles of the Pt+Rh and Pt(0.6)/Al2O3 catalysts in the hydrogenation and dehydrogenation steps, respectively. The effectiveness of the CuZnAl catalyst in the methanol synthesis reaction is also rigorously evaluated to ensure optimal conversion rates from CO and CO2 to methanol. Economic Analysis: Capital Cost Estimation: Based on the infrastructure and operational setup needed for this project, preliminary capital costs have been estimated to be around $90 million. This includes: $53 million for a 50 MW solar farm to power the electrolysis unit. $8.4 million for a 10 MW electrolysis plant for hydrogen production. $7.5 million for a hydrogenation facility capable of processing 50 tons of MCH daily. $20 million for a methanol production plant near Houston, designed for a daily capacity of 100 tons. $1 million for initial setup and logistics for rail transport of MCH to Houston and return of toluene to Arizona. Operational Cost Analysis and Break-even Analysis: Operational costs are calculated based on raw materials, energy costs, and maintenance. These are juxtaposed with the projected methanol sales to determine the financial viability. The break-even analysis suggests that the system must operate at near-full capacity to cover costs and generate profits within the first five years. Safety and Risk Assessment: A comprehensive safety analysis ensures that all potential risks associated with high-pressure operations and the handling of volatile chemicals are mitigated. This includes deploying robust reactor designs, safety valves, and emergency shutdown systems, complemented by regular maintenance and safety drills. Environmental Impact Analysis: The environmental sustainability of the project is confirmed through detailed carbon footprint assessments and potential emission studies, utilizing renewable energy and carbon capture technologies. A life cycle analysis (LCA) evaluates environmental impacts throughout the system's operational life, aiming to minimize negative outcomes.

Future Works
Plans include enhancing system integration with renewable energy sources, scaling up the prototype for industrial applications, and further refining the economic model to include operational costs and market analysis.

Other Information
The project outcomes aim to contribute significantly to the fields of renewable energy and sustainable manufacturing, with potential applications in various industrial sectors such as energy, pharmaceuticals, and materials science.

Acknowledgement
Gratitude is expressed to Dr. Jonathan E Whitlow for his invaluable guidance and oversight, alongside the technical assistance provided by the chemical engineering department's faculty and staff at the university.




Production of Ethylene from Carbon Dioxide and Water



Team Leader(s)
Kathleen Forero

Team Member(s)
Jason Englert, Tyler Mazza

Faculty Advisor
Dr. Jonathan E. Whitlow




Production of Ethylene from Carbon Dioxide and Water  File Download
Project Summary
This study introduces an innovative method for ethylene production simulated using Aspen Plus V14 while addressing the issue of carbon emissions. Our approach utilizes carbon dioxide and water as feedstock, incorporating a three-reactor process consisting of an electrolyzer for hydrogen production, a fixed bed methanol reactor, and a methanol to olefins reactor. The novel catalyst employed in the electrolyzer reduces the energy expenditure associated with hydrogen conversion. This project paves the way for a greener future in chemical processes and production of ethylene.


Project Objective
The design simulation ensures yields of over 95% purity, achieved through optimization of distillation columns and energy processes. It also guarantees net zero carbon emissions, accomplished through innovative energy and heat recovery optimization strategies.

Manufacturing Design Methods
Hydrogen and oxygen are produced through an electrochemical reactor using a novel catalyst, NiFeMo-P-C. The hydrogen and carbon dioxide feed are led to the methanol reactor. The methanol is then separated out and sent to the MTO (Methanol to Olefins) Reactor to produce ethylene.

Specification
The plant design produces raw material rates of 40,000 tonnes per year of carbon dioxide and 260,000 tonnes per year of water. The production yields from the Aspen simulation yield 360,000 tonnes per year of oxygen and 6,000 tonnes per year of ethylene.